|   | - A Logic Circuit Simulation Library in C++ | 
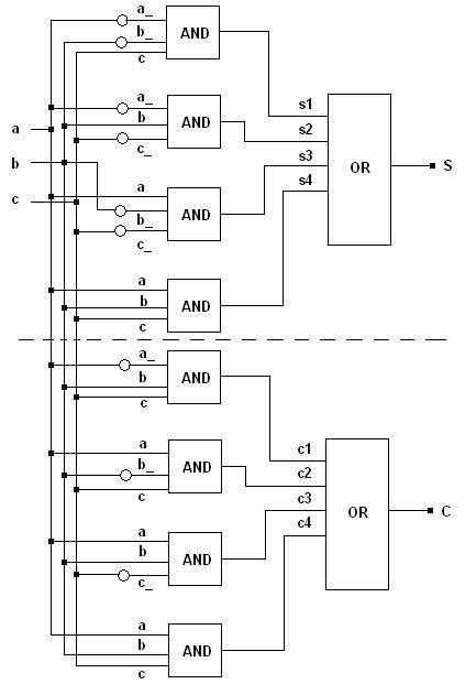
The aim of this example it build and simulate a circuit which is equivalent to an XOR gate for two inputs. The constraints are that we can only use AND, OR and NOT gates to build it.
a | b | c | S | C ---|-----|-----|---------|---- 0 | 0 | 0 | 0 | 0 ---|-----|-----|---------|---- 0 | 0 | 1 | 1 | 0 ---|-----|-----|---------|---- 0 | 1 | 0 | 1 | 0 ---|-----|-----|---------|---- 0 | 1 | 1 | 0 | 1 ---|-----|-----|---------|---- 1 | 0 | 0 | 1 | 0 ---|-----|-----|---------|---- 1 | 0 | 1 | 0 | 1 ---|-----|-----|---------|---- 1 | 1 | 0 | 0 | 1 ---|-----|-----|---------|---- 1 | 1 | 1 | 1 | 1
 
#include <lcs/or.h> #include <lcs/and.h> #include <lcs/not.h> #include <lcs/tester.h> #include <lcs/simul.h> #include <lcs/changeMonitor.h> // All classes of the libLCS are defined in the namespace lcs. using namespace lcs; int main(void) { // Each node in the circuit corresponds to a single line Bus object // in the case of libLCS. Hence we declare a single line bus for each // of the nodes marked in the above circuit diagram. Bus<1> a, b, c, a_, b_, c_, S, C, s1, s2, s3, s4, c1, c2, c3, c4; // Initialising NOT gates which obtain the inverses of the input busses. Not<> n1(a_, a), n2(b_, b), n3(c_, c); // Initialising an AND gate for each of the 8 min-terms involved. Each // AND should take 3 input data lines. Hence, the class And<3> is used. // Moreover, the input busses to these AND gates should have 3 lines each. // Hence, the 3 line input busses are generated using the overloaded // ',' operator. The ',' does not denote a comma separated list // but is a bus/line concatenation operator. It concatenates two busses // to produce another bus which contains lines from both the operand busses. And<3> sa1(s1, (a_,b_,c)), sa2(s2, (a_,b,c_)), sa3(s3, (a,b_,c_)), sa4(s4, (a,b,c)); And<3> ca1(c1, (a_,b,c)), ca2(c2, (a,b_,c)), ca3(c3, (a,b,c_)), ca4(c4, (a,b,c)); // Initialising the 4-input OR gates which take the outputs of the AND gates // and produce the desired results. Or<4> so(S, (s1,s2,s3,s4)), co(C, (c1,c2,c3,c4)); // Initialising change monitors which monitor the changes to the busses of // interest. Here, we initialise monitors which report the changes on the // input and output busses. ChangeMonitor<3> inputMonitor((c,b,a), "Input", DUMP_ON); ChangeMonitor<2> outputMonitor((S,C), "Sum", DUMP_ON); // Initialising a tester object which feeds a different value on to the input // busses at every clock pulse. This a way to feed inputs to our circuit for // the purpose of testing it. Tester<3> tester((c,b,a)); Simulation::setStopTime(1000); // Set the time upto which the simulation should run. Simulation::start(); // Start the simulation. return 0; }
The output when the above program is compiled and run is as below. See this for information on interpreting the output.
At time: 0, Input: 000 At time: 0, Sum: 00 At time: 200, Input: 001 At time: 200, Sum: 01 At time: 300, Input: 010 At time: 400, Input: 011 At time: 400, Sum: 10 At time: 500, Input: 100 At time: 500, Sum: 01 At time: 600, Input: 101 At time: 600, Sum: 10 At time: 700, Input: 110 At time: 800, Input: 111 At time: 800, Sum: 11
Below is the screenshot of the gtkwave plot of the generated VCD file.
 
